液壓系統的管路結構非常復雜,各種控制油液的閥門數量繁多,整套油路經常處在高溫高壓狀態下,使用壽命也會受到影響,這些因素都會造成轉向助力軟管的老化、損壞。根據《SAE J188》、《GB/T 7939.3》等標準的要求,轉向管需要在溫度壓力脈沖條件下完成試驗,來判斷可靠性。試驗需要使用轉向軟管高溫脈沖試驗裝置,下面,我們來看看相關試驗要求。
試驗設備:環儀儀器 轉向軟管高溫脈沖試驗裝置
試驗依據:
GB/T 7939.3-2023 液壓傳動連接 試驗方法 第3部分:軟管總成
試驗步驟:
1.應使用30d之內組裝軟管接頭的軟管總成進行此項試驗。
2.計算在試驗下的軟管的自由(暴露)長度(如下圖所示)。
a)軟管公稱內徑不大于22mm:L1=π(r+d/2)+2d。
b)軟管公稱內徑大于22mm:L2=0.5π(r+d/2)+2d。
式中:
L1--180°彎曲的自由長度;
L2--90°彎曲的自由長度;
r--最小彎曲半徑(在相關軟管標準中確定);
d--軟管外徑(測量值,d<25mm除外)。
若d<25mm,則軟管自由長度的公式中的2d項采用d=25mm,使軟管接頭末端與彎曲半徑起始點的軟管處于直線狀態。
實際的軟管自由長度與計算的軟管自由長度的偏差應在0%~1%或0mm~8mm內,取較大的偏差值。
3.把軟管總成連接到試驗裝置上。當軟管總成公稱內徑不大于22mm時,應彎曲180°;大于22mm時,應彎曲90°。
4.試驗油液應符合ISO 3448中黏度等級ISO VG 46(在40C時,46mm2/s±4.6mm2/s)的要求,使其在軟管總成內以足夠的速度循環,以保證溫度的一致性。
5.對軟管總成內部施加脈沖壓力,對于高壓試驗,其頻率在0.5Hz~1.3Hz;對于低壓試驗,其頻率在0.2 Hz~1.0Hz。記錄試驗的頻率。
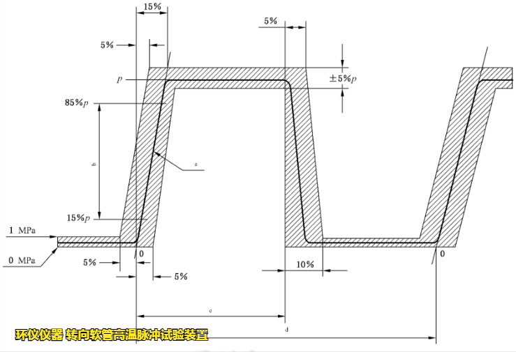
6.對于高壓試驗(大于2.5MPa),壓力循環應在下圖所示的陰影區域內;
對于低壓試驗(不大于2.5MPa),壓力循環應在下圖所示的陰影區域內,并使之盡可能接近圖示曲線。
7.根據相關產品規范,確定脈沖壓力和試驗溫度。
8.根據相關產品規范,確定脈沖試驗的持續時間(以脈沖循環總次數計)。
9.進行規定循環次數的試驗,或直至軟管總成失效。如果在完成最小循環次數之前停止試驗,在
重新開始試驗并達到規定的試驗溫度之前,軟管和軟管接頭結合處可能出現泄漏。若泄漏量小于ISO/TR11340中規定的4級泄漏,則不判定為軟管總成失效。應根據ISO/TR11340中的分類來記錄泄漏情況。
10.在未完成所需的總脈沖次數之前,軟管總成應不出現失效。
如有轉向軟管高溫脈沖試驗裝置的使用疑問,可以咨詢環儀儀器相關技術人員。












